Številka: 52764685

shumee Enojni 9-zobni verižnik 3/4" veriga 12 B-1 luknja 25 mm Kramp SE340925

shumee Enojni 9-zobni verižnik 3/4" veriga 12 B-1 luknja 25 mm Kramp SE340925

Partnerska prodaja
Enojni 9-zobni verižnik 3/4" veriga 12 B-1 luknja 25 mm Kramp SE340925 Celoten opis
12,40 €
Način in ceno dostave določi Extrastore Sp. z o.o.
12,40 €
Brezplačna dostava

20.3.2026 predviden osebni prevzem od 0 €
20.3.2026 - 23.3.2026 predvidena dostava na dom od 0 €

Predstavitev

Predmet oglasa je:

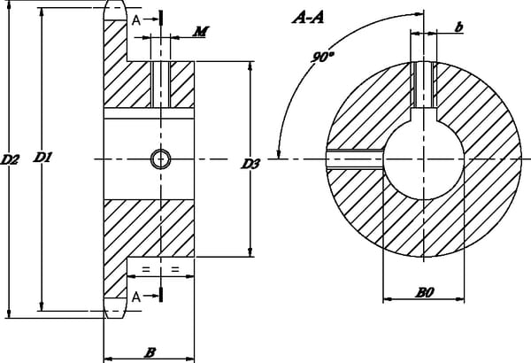
Enojna 9-zobna verižna veriga 3/4" veriga 12 B-1 luknja 25 mm Kramp

Vrsta: Enojna

Velikost verige: 12 B-1

Število zob: 9

Sestavljen je iz: – Verižna veriga
 – 2 nastavitvena vijaka

Delovni premer: 55,7 mm

Zunanji premer: 63,9 mm

Širina zoba: 11,1 mm

Širina: 30 mm

Vrsta pesta: Enostransko pesto

Premer pesta: 37 mm

Premer izvrtine: 25 mm

Izvrtina: Da

Material: Jeklo C45

Trdota zoba: HRC 45–55

Širina utora/klina: 8 mm

Premer pritrdilnega navoja: M6

Možno plačilo po povzetju.

Dosegljivi smo od ponedeljka do sobote!