shumee Optimizator delovanja fotovoltaičnih instalacij Zamel eco-oze-pv
Predstavitev
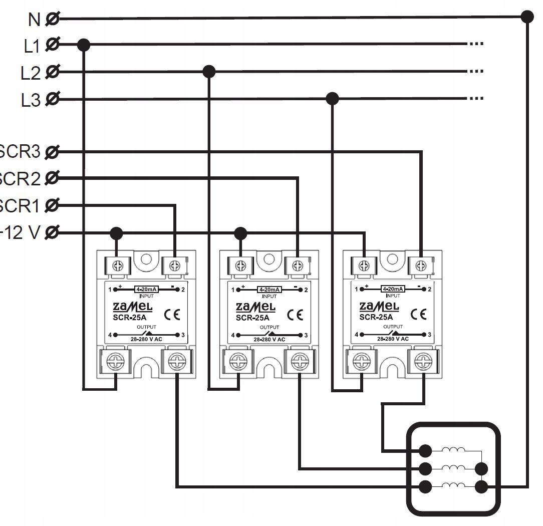
PV MIKROINSTALACIJSKI STABILIZATOR
Sestava kompletaeko-oze-pvvključuje:
• merilni del – spremlja napetost na posameznih fazah v realnem času,
• aktuatorski del – opremljen s trifaznim regulatorjem z analognim vhodom (SCR – 25A) – upravlja obremenitev priključenega sprejemnika,
• Tokovni transformatorji – uporabljajo se za analizo vseh pomembnih parametrov električnega omrežja,
• Digitalna temperaturna sonda – za rezervoar za toplo vodo za gospodinjstvo
Ko naprava zazna povišanje napetosti, ki bi lahko povzročilo prekoračitev med konfiguracijo nastavljene ravni, aktivira priključeni sprejemnik – najpogosteje grelnik sanitarne vode z električnimi grelci. Takšen sprejemnik ustvarja uporovno obremenitev, ki olajša lokalno zmanjšanje napetosti.
Aktuator kompleta eco-oze-pv upravlja priključeni sprejemnik, da modulira svojo obremenitev sorazmerno s trenutno porabo. Zahvaljujoč tej obratovalni karakteristiki se lahko proces zmanjšanja napetosti časovno razporedi, da se zagotovi neprekinjeno delovanje PV sistema med večurno izpostavljenostjo povišani napetosti.



Glavne lastnosti naprave vključujejo:
• realnočasovna analiza parametrov napetosti in toka v električnem omrežju v treh fazah,
• krmiljenje obremenitve na izbranih fazah v obsegu, ki je potreben za izvajanje funkcije, ki jo je izbral uporabnik (prioriteta znižanja napetosti ali prioriteta ogrevanja vode),
• povečan delež lastne porabe v potrošniških karakteristikah gospodinjstev,
• znižani stroški ogrevanja sanitarne vode,
• možnost izbire enega od načinov delovanja,
• Razvijajoča se narava izdelka predvideva razširjeno funkcionalnost z naknadnimi posodobitvami.



Posodobitev 0.5.0. Zdaj na voljo!!!
Uvedli smo dva zelo zahtevana načina samoporabe, podporo za releje in več manjših izboljšav.
Popolna lastna poraba:
Vsa energija, ki jo proizvede fotovoltaični sistem, je usmerjena v gospodinjske aparate in grelnike v hranilniku sanitarne vode. Merilni modul sledi trenutni smeri toka in prilagodi obremenitev za ogrevanje rezervoarja s presežno energijo. Ko so druge naprave preobremenjene, se moč grelnika zmanjša, da zadosti celotnemu povpraševanju s samoproizvodnjo brez črpanja dodatne energije iz omrežja. Ta način deluje, dokler ni dosežena najvišja temperatura lastne porabe.
Lastna poraba z omejitvijo izhodne moči:
V tem načinu je nastavljena največja moč, ki jo želi uporabnik oddajati v omrežje, morebitna presežna moč pa je usmerjena na gospodinjske aparate in grelnike v hranilniku sanitarne vode. Nastavitev temperature je enaka kot v načinu polne lastne porabe. Presežek, ki ga absorbira lastna poraba, ne sme presegati skupne moči grelnikov. Naprava eco-oze-pv bo moč grelnika prilagodila trenutni potrebi. Omejitev je nastavljena v polju NAJVEČJA MOČ, POSLANA V OMREŽJE na konfiguracijski strani.

Dodan je nov parameter: „Temperatura samodejne porabe.“
Če želi uporabnik ohraniti možnost znižanja napetosti med napetostnimi skoki, lahko nastavi temperaturo samodejne porabe, ki je nižja od najvišje dovoljene za rezervoar.
Relejna podpora
Načinoma ECO in COMFORT je dodana podpora za releje. Ko je v določeni fazi presežena uporabniško določena moč grelnika, se aktivira dodeljeni rele (prvi rele ustreza prvi fazi, drugi drugi, tretji pa tretji). Uporabnik nastavi minimalno trajanje delovanja posameznega releja ter minimalno pavzo pred naslednjim vklopom. Ti časi preprečujejo, da bi se povezana naprava pogosto vklapljala in izklapljala, kar bi lahko povzročilo poškodbe.