Številka: 52296567

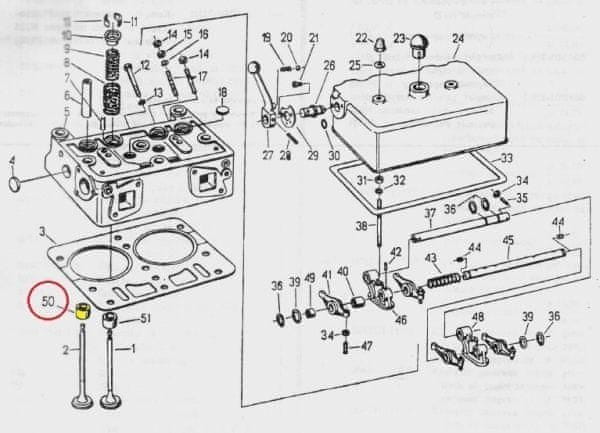
shumee C-330 Sedež izpušnega ventila (naprodaj v paketih po 10)

shumee C-330 Sedež izpušnega ventila (naprodaj v paketih po 10)

Partnerska prodaja
C-330 Sedež izpušnega ventila (naprodaj v paketih po 10) Celoten opis
29,05 €
Način in ceno dostave določi Extrastore Sp. z o.o.
29,05 €
Brezplačna dostava

15.1.2026 predviden osebni prevzem od 0 €
15.1.2026 - 16.1.2026 predvidena dostava na dom od 0 €

Predstavitev

C-330 Sedež izpušnega ventila